您好,!
[登录]
[注册]
在线客服:010-52903875
客服中心:010-52903875
全部分类
微处理器/uProcessor
MCU
DSP
FPGA
功率半导体/PowerSemi
IGBT/MOSFET
晶闸管/二极管
驱动/Driver
驱动/Driver
散热/Cooling
散热器/Heatsink
被动元件/Passive
电阻/Resistor
电容/Capacitor
传感器/Sensor
电压传感器/VT
电流传感器/CT
电源/Power
电源模块/AC-DC
线路保护/Protection
继电器/Relay
接触器/Contactor
熔断器/Fuse
连接/Connecting
连接器/Connector
线缆/Wire
复合母排/Busbar
首页
产品分类
行业应用
新能源/New energy
输配电/PTD
轨道交通/Traction
电动汽车/EV
工业传动/Drives
解决方案
驱动板方案
散热器方案
功率组件方案
新闻中心
公司新闻
行业资讯
服务支持
技术支持
联系方式
首页
行业应用
行业应用
新能源/New energy
新能源/New energy
输配电/PTD
输配电/PTD
轨道交通/Traction
轨道交通/Traction
电动汽车/EV
电动汽车/EV
工业传动/Drives
工业传动/Drives
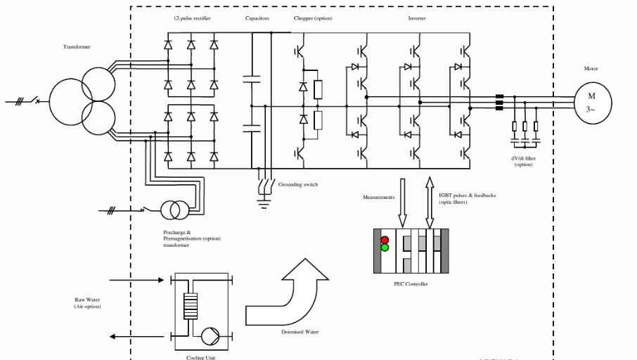
中压变频器/MVD
应用框图
详情内容
忘记密码
还没有账号?
点击注册>>